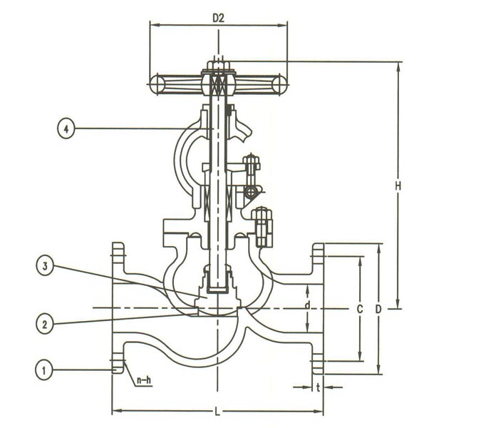
1 – Body – Cast Steel – SC49
2 – Seat – Stainless Steel – SCS2
3 – Disc – Stainless Steel – SCS2
4 – Stem – Stainless Steel – SUS403
Manufactured in accordance to JIS F7400
Flanges as per JIS B2220 – 40K
| SIZE | L | D | C | NO. OF HOLES | h |
| 032 | 229 mm | 140 mm | 105 mm | 4 | 19 mm |
| 040 | 241 mm | 160 mm | 120 mm | 4 | 23 mm |
| 050 | 292 mm | 165 mm | 130 mm | 8 | 19 mm |
| 065 | 330 mm | 200 mm | 160 mm | 8 | 23 mm |
| 080 | 356 mm | 210 mm | 170 mm | 8 | 23 mm |
| 090 | N/A | N/A | N/A | N/A | N/A |
| 100 | 432 mm | 250 mm | 205 mm | 8 | 25 mm |
| 125 | 508 mm | 300 mm | 250 mm | 8 | 27 mm |
| 150 | 559 mm | 355 mm | 295 mm | 12 | 33 mm |
